
一、電動法蘭全襯氟蝶閥 產品描述:
電動法蘭全襯氟蝶閥有開關型和調節型兩種,蝶閥與電動執行器機構配套,輸入控制信號(4~20mA或1~5VDC)及單相電源即可控制運轉,具有功能強、體積小、輕便,性能可靠、配套簡單、流通能力大、電動法蘭全襯氟蝶閥特別適合于介質是強酸,強堿具有腐蝕性的場合。目前該電動法蘭全襯氟蝶閥廣泛應用于食品、環保、輕工、石油、造紙、化工、教學和科研設備、電力等行業的工業自動控制系統中。

二、電動法蘭全襯氟蝶閥 產品特點:
1. 本閥采用中線結構,具有越關越緊的密封功能,密封性能可靠。
2.密封副材料選用不銹鋼和丁腈耐油膠配對,使用壽命長。
3.四氟密封即可位于閥體上,也可以位于蝶板上,可適用不同特點的介質,供用戶選擇。
4.蝶板采用框架結構,強度高,過流面積大流阻小。
5. 整體烤漆,能有效地防止銹蝕且只要更好密封閥座密封材料,就可適用不同介質。
6.本閥具有雙向密封功能,安裝時不受介質流向的控制,也不受空間位置的影響,可在任何方向安裝。
7.本閥結構獨特,操作靈活,省力,方便。
三、電動法蘭全襯氟蝶閥 產品規格參數:
公稱通徑DN(mm) | 50~500 | ||
公稱壓力PN(MPa) | 0.6~1.0 | ||
執行器配型 | 精小型系列、QT型系列、Z型系列 | ||
控制方式 | 開關型(電開電關)、調節型(4-20mA) | ||
電源壓力 | AC220V、AC380V、DC24V | ||
材料/代號 | WCB | P | |
主要 零件 | 閥體 | 鑄鋼 | 304不銹鋼 |
閥板 | 全稱四氟板 | ||
密封圈 | 聚四氟乙烯(PTFE) | ||
閥軸 | 45#、416不銹鋼 | ||
連接方式 | 對夾式 法蘭式 | ||
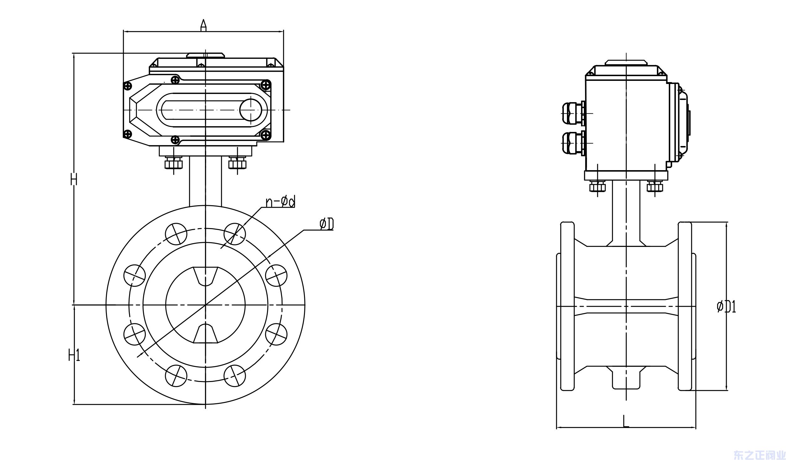
四、電動法蘭全襯氟蝶閥 產品連接尺寸:

規格 DN | 安裝尺寸(法蘭) | ||||||||
H1 | H | n-Φd | ΦD | ΦD1 | L | A | |||
PN10 | PN16 | PN10 | PN16 | ||||||
50 | 82 | 231 | 4--18 | 4--18 | 125 | 125 | 164 | 108 | 160 |
65 | 91 | 246 | 4--18 | 4--18 | 145 | 145 | 182 | 112 | 160 |
80 | 98 | 253 | 4--18 | 8--18 | 160 | 160 | 196 | 114 | 160 |
100 | 108 | 280 | 8--18 | 8--18 | 180 | 180 | 216 | 127 | 189 |
125 | 123 | 299 | 8--18 | 8--18 | 210 | 210 | 246 | 140 | 189 |
150 | 140 | 352 | 8--23 | 8--23 | 240 | 240 | 280 | 140 | 266 |
200 | 169 | 399 | 8--23 | 12--23 | 295 | 295 | 338 | 152 | 266 |
250 | 202 | 444 | 12--23 | 12--25 | 350 | 355 | 404 | 165 | 266 |
300 | 223 | 464 | 12--23 | 12--25 | 400 | 410 | 446 | 178 | 266 |
350 | 253 | 489 | 16--23 | 16--25 | 460 | 470 | 506 | 190 | 266 |
400 | 283 | 506 | 16--23 | 16--30 | 515 | 525 | 566 | 216 | 268 |


