天天操天天操天天爽I黄色大片网I久久电影国产免费久久电影I国产99久久久久I亚洲国产视频在线I狠狠操综合网

您好,歡迎訪問江蘇東之正閥業有限公司,本公司是一家,智能電動球閥生產廠家_氣動蝶閥批發_氣動調節閥_閘閥_截止閥_止回閥_針型閥,歡迎定制批發咨詢批發價格

設為首頁| 加入收藏
智能電動球閥廠家、氣動蝶閥批發價格、氣動調節閥生產廠家 全國服務熱線 0510-83123233

全國服務熱線:0510-83123233

閥門產品 PRODUCT

電話:0510-83123233

手機:15370222112

郵箱:jsdongfa@163.com

地址:江蘇省無錫市梁溪區會北路28號

蝶閥

當前位置: 首頁 > 閥門產品 > 蝶閥

對夾式襯膠蝶閥

來源:JSDF閥門 發布時間:2019-12-11 次瀏覽

對夾式襯膠蝶閥

對夾式襯膠蝶閥/D671J氣動襯膠蝶閥/D971J電動襯膠蝶閥結構緊湊,90°回轉開關輕松,密封可靠,使用壽命長,廣泛用于水廠、電廠、鋼廠、造紙、化工、飲食等系統供排水中,作為調節和截止使用。
對夾式襯膠蝶閥  產品特點
 1、本閥采用雙偏心結構,具有越關越緊的密封功能,密封性能可靠。
2、密封副材料選用不銹鋼和丁腈耐油橡膠配對,使用壽命長。
3、橡膠密封圈即可位于閥體上,也可以位于蝶板上,可適用不同特點的介質,供用戶選擇。
4、蝶板采用框架結構,強度高,過流面積大,流阻小。
5、整體烤漆、能有效地防止銹蝕且只要更換密封閥座密封材料,就可使用于不同介質。
6、本閥具有雙向密封功能,安裝時不受介質流向的控制,也不受空間位置的影響,可在任何方向安裝。
7、襯膠蝶閥結構獨特,操作靈活,省力,方便。
對夾式襯膠蝶閥  密封材料適用范圍

密封圈材料代號

適用溫度

適用介質

NR

≤85℃

水、空氣、酸堿類

CR

≤85℃

水、煤氣、酸堿類

NBR

≤100℃

水、油品

EPDM

≤120℃

水、蒸汽、一般酸堿類

FKM

≤150℃

水、蒸汽、強酸堿類

對夾式襯膠蝶閥  主要零件材料

閥體

鑄鐵、球墨鑄鐵、碳鋼、不銹鋼

蝶板

鑄鐵、球墨鑄鐵、碳鋼、不銹鋼、碳鋼完全包覆橡膠或氟塑料

閥桿

碳鋼鍍鎳磷、不銹鋼

閥座密封圈

天然膠NR、氯丁膠CR、丁腈膠NBR、三元乙丙膠EPDM、氟橡膠FKM

蝸輪裝置

組合件

測試

襯里層:電火花檢測 
試驗與檢驗按GB/T13927標準 
公稱壓力:PN(MPa) 
閥體:PN×1.5
密封:PN×1.1

對夾式襯膠蝶閥  基本型號


D71J 半襯




D371J 半襯

D71J全襯里

D371J全襯里

D71F4 全襯里

D371F4 全襯里

D71F46 全襯里

D371F46 全襯里


D671J半襯


D971J 半襯

D671J全襯里

D971J全襯里

D671F4 全襯里

D971F4 全襯里

D671F46 全襯里

D971F46 全襯里

對夾式襯膠蝶閥 設計標準
設計與制造:GB12238
結構長度:GB12238
法蘭連接尺寸:GB4216 

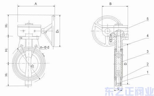
部件列表:1、閥體 2、閥座 3、蝶板 4、閥桿 5、蝸輪裝置

 1-191211094531416.jpg

對夾式襯膠蝶閥  主要外形尺寸

公稱通徑DN

公稱壓力MPa

工作壓力MPa

L
mm

D
mm

D1
mm

n-Φd
mm

H1
mm

H2
mm

Do
mm

H3
mm

A
mm

B
mm

質量 
Kg/kilos

40

1.0

1.0

33

150

110

4-18

55

100

150

62

164

125

6

50

43

165

125

4-18

64

120

150

62

164

125

7

65

46

185

145

4-18

80

120

208

62

164

125

10

80

46

200

160

8-18

112

130

260

62

164

125

11

100

52

220

180

8-18

90

140

275

62

164

125

12

125

56

250

210

8-18

112

160

350

106

289

200

18

150

56

285

240

8-22

135

175

350

106

289

200

29

200

60

340

295

8-22

160

210

240

106

289

200

34.5

250

0.6

68

395

350

12-22

206

235

240

106

289

200

44

300

78

445

400

12-22

232

273

320

112

370

253

64.5

350

78

505

450

16-22

263

310

320

112

370

253

75.5

400

102

565

515

16-26

295

340

400

270

562

280

156

450

114

615

565

20-26

327

370

400

270

562

280

171.5

500

127

670

620

20-26

358

399

400

270

562

280

206.5

550

0.4

140

730

675

20-30

384

430

400

270

562

280

215

600

154

780

725

20-30

474

460

500

270

562

280

283

700

165

895

840

24-30

486

510

500

125

503

443

426

800

190

1015

950

24-33

591

672

500

200

513

531

550

900

203

1115

1050

28-33


500

200

513

531

1070

1000

216

1230

1160

28-36

721

800

550

273

713

815

1296



上一篇: 暫無

下一篇: 信號蝶閥